Отводы в ВУС изоляции в Полоцке для юридических лиц

Отводы в усиленной изоляции ВУС предназначены для изменения направления подземных трубопроводов, обеспечивая надежную защиту от коррозии и механических повреждений. Они широко применяются в магистральных нефте- и газопроводах, коммунальном хозяйстве и промышленных объектах.

Использование отводов в ВУС позволяет значительно увеличить срок службы трубопроводной системы, минимизировать теплопотери и исключить необходимость в катодной защите. Это экономически выгодное и долговечное решение для ответственных проектов.

Изделия отличаются высокими качественными характеристиками: прочная стальная основа, многослойная изоляция из пенополиуретана и защитная оболочка из полиэтилена. Такая конструкция гарантирует стойкость к агрессивным средам и перепадам температур.

Мы предлагаем широкую вариативность углов поворота для проектирования трасс любой сложности: отводы 45°, 60°, 90° и 180°. Возможна поставка под конкретные параметры вашего проекта.

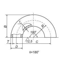
Отводы 180 в ВУС
Цена по запросу
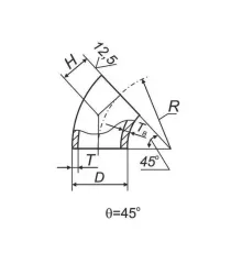
Отводы 45 в ВУС
Цена по запросу
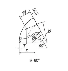
Отводы 60 в ВУС
Цена по запросу
Отводы 90 в ВУС
Цена по запросу
Показано с 1 по 4 из 4 (всего 1 страниц)