- НаличиеВ наличии
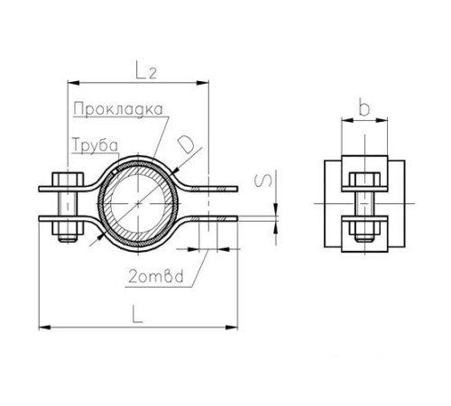
Подвески судовых трубопроводов Тип 2 предназначены для надежного крепления и поддержания трасс трубопроводов на судах и других морских объектах. Они обеспечивают стабильность системы, компенсируют вибрации и тепловое расширение, что критически важно для безопасной эксплуатации.
Изделия доступны в различных исполнениях из марок стали 3, 08Х18Н10Т, АМг5, ПТ-3В, ЮЗ, что позволяет подобрать оптимальное решение для конкретной среды эксплуатации (агрессивная морская вода, перепады температур). Широкий диапазон статических нагрузок (от 2,2 кН до 33 кН) и масс обеспечивает точный подбор под параметры проекта.
Мы предлагаем удобный онлайн-заказ для юридических лиц с безналичным расчетом. Получите коммерческое предложение и организуем доставку по Полоцку и всей Беларуси.
Нет отзывов об этом товаре.
Пока нет вопросов об этом товаре. Станьте первым!
