- НаличиеВ наличии
Опоры ТПР.10.14(1).00.000 предназначены для надежного крепления и поддержания трубопроводов различного назначения в промышленном и гражданском строительстве. Они обеспечивают стабильность системы, воспринимая вертикальные нагрузки и позволяя перемещение трубы в продольном направлении.
Использование качественных опор повышает срок службы трубопровода, снижает вибрацию и минимизирует тепловые деформации. Это ключевой элемент для безопасной и долговечной эксплуатации инженерных сетей.
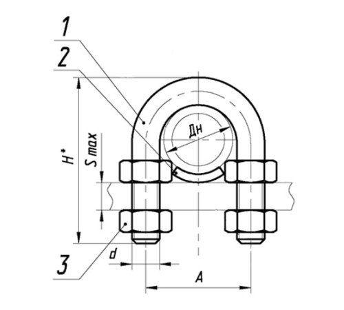
Изделия отличаются высокой прочностью, коррозионной стойкостью и рассчитаны на длительную работу в условиях переменных нагрузок. Доступны различные варианты наружных диаметров (Dн) от 25 до 720 мм и массы от 0,13 до 23,23 кг, включая модификации от ТПР.10.14(1).00.000-01 до ТПР.10.14(1).00.000-19.
Мы предлагаем опоры ТПР для юридических лиц с безналичным расчетом. Оформите онлайн-заказ для получения коммерческого предложения и оперативной доставки по Полоцку и всей Беларуси.
Нет отзывов об этом товаре.
Пока нет вопросов об этом товаре. Станьте первым!
